【運放電路】減法器電路設計分享-KIA MOS管
信息來源:本站 日期:2022-05-20
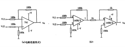
圖(a)電路輸入輸出關系為:V0=Vi2-Vi1圖中放大器的輸出信號電壓極性通常與輸入電壓極性相同。如果要求反相輸出,則采用圖(b)所示電路。其輸入輸出關系為:Vo=Vi1-Vi2。
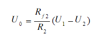
如圖所示為其他器件組成的減法電路(2)。該電路輸入輸出關系為:Vo=Vi2-Vi1。
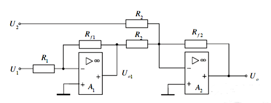
如圖所示為從同相端輸入的兩運放減法電路。
如上圖所示,第一級為反相比例放大電路,若Rf1=R1,則Uo1=-U1;第二級為反相加法電路,則可導出
如果R2=Rf2,則上式變為
聯系方式:鄒先生
聯系電話:0755-83888366-8022
手機:18123972950
QQ:2880195519
聯系地址:深圳市福田區車公廟天安數碼城天吉大廈CD座5C1
請搜微信公眾號:“KIA半導體”或掃一掃下圖“關注”官方微信公眾號
請“關注”官方微信公眾號:提供 MOS管 技術幫助
免責聲明:本網站部分文章或圖片來源其它出處,如有侵權,請聯系刪除。
