LLC諧振轉換器中如何避免出現MOSFET故障?-KIA MOS管
信息來源:本站 日期:2022-05-07
為了降低能源成本,設備設計人員正在不斷尋找優化功率密度的新方法。通常情況下,電源設計人員通過增大開關頻率來降低功耗和縮小系統尺寸。
由于具有諸多優勢如寬輸出調節范圍、窄開關頻率范圍以及甚至在空載情況下都能保證零電壓開關,LLC諧振轉換器應用越來越普遍。但是,功率MOSFET出現故障一直是LLC諧振轉換器中存在的一個問題。在本文中,我們將闡述如何避免這些情況下出現MOSFET故障。
初級MOSFET的不良體二極管性能可能導致一些意想不到的系統或器件故障,如在各種異常條件下發生嚴重的直通電流、體二極管dv/dt、擊穿dv/dt,以及柵極氧化層擊穿,異常條件諸如啟動、負載瞬變,和輸出短路。
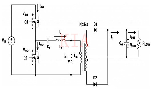
圖1:LLC諧振轉換器
不同負載條件下LLC諧振轉換器的直流增益特性如圖2所示。根據不同的運行頻率和負載條件可以分為三個區域。
諧振頻率fr1右側(藍色部分)為零電壓開關區域,空載情況下最小次級諧振頻率fr2的左側(紅色部分)是零電流開關區域。fr1與fr2之間的區域既可以是零電壓開關區域,也可以是零電流開關區域,視負載條件而定。
紫色區域標識感性負載區域,粉色區域標識容性負載區域。對于開關頻率fs
圖2:LLC諧振轉換器的直流增益特性
在導通MOSFET之前,電流流過其他MOSFET的體二極管。當MOSFET開關導通時,其他MOSFET體二極管的反向恢復應力非常嚴重。
高反向恢復電流尖峰流過其他MOSFET開關,原因是它無法流過諧振電路。它形成高體二極管dv/dt并且其電流和電壓尖峰可能在體二極管反向恢復期間造成器件故障。
因此,轉換器應該避免在容性區域運行。對于fs》fr1,諧振回路的輸入阻抗是感性負載。如圖3(b)所示,MOSFET在零電壓開關(ZVS)處導通。
導通開關損耗被最小化,原因是存在米勒效應并且MOSFET輸入電容不會因為米勒效應而增大。此外,體二極管反向恢復電流是一小部分正弦波,并在開關電流為正時變為開關電流的一部分。
因此,零電壓開關通常優先于零電流開關,原因是因反向恢復電流及其結電容的放電,零電壓開關能夠避免較大的開關損耗和應力。
圖3:LLC諧振轉換器中的工作模式
聯系方式:鄒先生
聯系電話:0755-83888366-8022
手機:18123972950
QQ:2880195519
聯系地址:深圳市福田區車公廟天安數碼城天吉大廈CD座5C1
請搜微信公眾號:“KIA半導體”或掃一掃下圖“關注”官方微信公眾號
請“關注”官方微信公眾號:提供 MOS管 技術幫助
免責聲明:本網站部分文章或圖片來源其它出處,如有侵權,請聯系刪除。
