射極跟隨器的原理及電路圖分析、匯總-KIA MOS管
信息來源:本站 日期:2021-07-27
射極跟隨器指的是:信號從基極輸入,從發射極輸出的放大器。
其特點為輸入阻抗高,輸出阻抗低,因而從信號源索取的電流小而且帶負載能力強,所以常用于多級放大電路的輸入級和輸出級;也可用它連接兩電路,減少電路間直接相連所帶來的影響,起緩沖作用。
電壓放大系數略低于1,負載能力強,輸入信號與輸出信號相位相同。也可認為是一種電流放大器。常作阻抗變換和級間隔離用。
共集接法的電路見下圖,它從基極輸入信號,從射極輸出信號。它具有高輸入阻抗、低輸出阻抗、輸入信號與輸出信號相位相同的特點。
射極跟隨器以很小的輸人電流卻可以得到很大的輸出電流(ie=(1+β)ib)。
因此具有電流放大及功率放大作用。需要區別的是普通的多級共射級放大電路,是不放大電流放大電壓,這點跟射隨是相反的。
在電視電路中,中放解出TV的視頻圖像后用射極電路來輸出,保證輸出圖像的變化隨輸入而改變,需主意的是一般幅度要達到1.2V左右,需通過調節RB和RE的比例調節輸出交流波形的幅度。
下圖是高頻放大器使用的一種電路,由同軸電纜把信號輸出,電纜的特性阻抗一般為50歐或70歐,所以要通過跟隨器BG2實現阻抗變換。
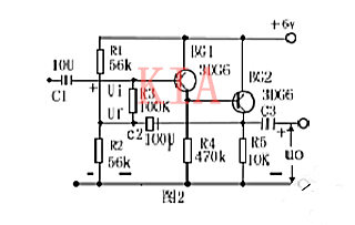
圖2是一種自舉式的跟隨器,它的特點是:
1、自舉
由于R3的下端電位隨上端電位升曾而升高,故稱為自興舉,自舉作用使R3兩端的交流壓降為零。所以對交流來說,R3相當于開路,從而避免了偏置電路降低了輸入阻抗的缺陷。
2、輸入阻抗高
為了盡量地提高晶體管有效的輸入阻抗,采用BG1和BG2組成復合管電路,這時β=β1β2,使總的輸入阻抗大大提高。因為輸入阻抗Ri=Rbe+(1+β)Reo 本電路的輸入阻抗為2兆歐,
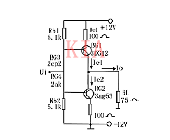
圖3是串接式的跟隨器,其特點是:
(1)類似圖2一樣,R4兩端交流電壓具有自舉作用;
(2)BG2采用共基接法,使Ic2具有恒流作用,A、B兩點交流阻抗RAB大大也提高,從而提高了跟隨器的輸入阻抗。
圖4是互補式的跟隨器,電路的特點是:
(1)由于兩只三極管輪流供給負載電流,所以每只管的功耗只為輸出功率的(12-20)%左右,效率較高;
(2)兩只三極管都從射極輸出,其輸出阻抗基本上一樣,所以輸出波形正、負半波對稱;
(3)由于輸入信號通過BG3或BG4耦合至三極管的基極,所以,對交、直流信號都可跟隨。其跟隨范圍約為±5伏。
聯系方式:鄒先生
聯系電話:0755-83888366-8022
手機:18123972950
QQ:2880195519
聯系地址:深圳市福田區車公廟天安數碼城天吉大廈CD座5C1
請搜微信公眾號:“KIA半導體”或掃一掃下圖“關注”官方微信公眾號
請“關注”官方微信公眾號:提供 MOS管 技術幫助

