干貨解析|場效應管放大電路的直流偏置電路-KIA MOS管
信息來源:本站 日期:2020-12-03
什么是偏置電路
晶體管構成的放大器要做到不失真地將信號電壓放大,就必須保證晶體管的發射結正偏、集電結反偏。即應該設置它的工作點。
所謂工作點就是通過外部電路的設置使晶體管的基極、發射極和集電極處于所要求的電位(可根據計算獲得)。這些外部電路就稱為偏置電路。
場效應管偏置電路
場效應管偏置電路為了使放大電路正常地工作能把輸入信號不失真地加以放大,必須有一個合適而穩定的靜態工作點為放大電路提供直流電流和直流電壓的電路。
叫做直流(靜態)偏置電路,簡稱偏置電路由于各種電子電路對偏置電路有不同的要求,所以在實際電路中加設的偏置電路也有所不同。
場效應管放大電路的基本結構
場效應管與晶體管一樣,也具有放大作用,但與普通晶體管是電流控制型器件相反,場效應管是電壓控制型器件。它具有輸入阻抗高、噪聲低的特點。
場效應管的3個電極,即柵極、源極和漏極分別相當于晶體管的基極、發射極和集電極。圖5-21所示是場效應管的3種組態電路,即共源極、共漏極和共柵極放大器。圖5-21(a)所示是共源極放大器,它相當于晶體管共發射極放大器,是一種最常用的電路。
圖5-21(b)所示是共漏極放大器,相當于晶體管共集電極放大器,輸入信號從漏極與柵極之間輸入,輸出信號從源極與漏極之間輸出,這種電路又稱為源極輸出器或源極跟隨器。
圖5-21(c)所示是共柵極放大器,它相當于晶體管共基極放大器,輸入信號從柵極與源極之間輸入,輸出信號從漏極與柵極之間輸出,這種放大器的高頻特性比較好。
絕緣柵型場效應管的輸入電阻很高,如果在柵極上感應了電荷,很不容易泄放,極易將PN結擊穿而造成損壞。
為了避免發生PN結擊穿損壞,存放時應將場效應管的3個極短接;不要將它放在靜電場很強的地方,必要時可放在屏蔽盒內。焊接時,為了避免電烙鐵帶有感應電荷,應將電烙鐵從電源上拔下。焊進電路板后,不能讓柵極懸空。
場效應管放大電路的直流偏置電路
由場效應管組成放大電路時,也要建立合適的靜態工作點Q,而且場效應管是電壓控制器件,因此需要有合適的柵-源偏置電壓。常用的直流偏置電路有兩種形式,即自偏壓電路和分壓式自偏壓電路。
1.自偏壓電路
圖1(a)所示電路是一個自偏壓電路,其中場效應管的柵極通過電阻Rg接地,源極通過電阻R 接地。這種偏置方式靠漏極電流ID在源極電阻R上產生的電壓為柵-源極間提供一個偏置電壓VGS,故稱為自偏壓電路。
靜態時,源極電位VS=IDR。由于柵極電流為零,Rg上沒有電壓降,柵極電位VG=0,所以柵源偏置電壓VGS= VG–VS= –IDR 。耗盡型MOS管也可采用這種形式的偏置電路。
圖1(b)所示電路是自偏壓電路的特例,其中VGS=0。顯然,這種偏置電路只適用于耗盡型MOS管,因為在柵源電壓大于零、等于零和小于零的一定范圍內,耗盡型MOS管均能正常工作。
增強型MOS管只有在柵-源電壓達到其開啟電壓VT時,才有漏極電流ID產生,因此這類管子不能用于圖1所示的自偏壓電路中。
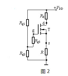
2.分壓式偏置電路
分壓式偏置電路是在自偏壓電路的基礎上加接分壓電路后構成的,如圖2所示。靜態時,由于柵極電流為零,Rg3上沒有電壓降,所以柵極電位由Rg2與Rg1對電源VDD分壓得到,即
這種偏置方式同樣適用于結型場效應管或耗盡型MOS管組成的放大電路。
聯系方式:鄒先生
聯系電話:0755-83888366-8022
手機:18123972950
QQ:2880195519
聯系地址:深圳市福田區車公廟天安數碼城天吉大廈CD座5C1
請搜微信公眾號:“KIA半導體”或掃一掃下圖“關注”官方微信公眾號
請“關注”官方微信公眾號:提供 MOS管 技術幫助

